Panoramica
La Visualizzazione della Planimetria è dove avviene la magia. Quando si clicca su una Planimetria specifica, questo viene ingrandita ed è possibile collegarla alle relative attività, inserire annotazioni e collegamenti ipertestuali.
Indice
- Barra degli Strumenti di annotazione
- Filtrare per Categoria e Attività
- Rinominare la Planimetria/descrizione
- Controllo di Versione
- Visualizza Attività
- Pulsante Filtra Attività
- Icona Occhio
- Ricercare Testo nella Planimetria
- Navigare tra Modelli 2D e 3D
- Aprire le Planimetrie Visualizzate Recentemente
- Scheda Azioni
- Cliccare con il tasto destro su Planimetria, Attività e Annotazioni
Barra degli strumenti di Annotazione
La barra degli strumenti di annotazione è una barra verticale nera sul lato sinistro della visualizzazione delle Planimetrie.
Tutti gli strumenti di annotazione sono elencati di seguito in ordine decrescente dall'alto verso il basso.
Definizioni degli strumenti di annotazioni
| 1. Espandi a schermo intero | Visualizza una Planimetria a schermo intero. |
| 2. Zoom avanti/Zoom indietro | Per visualizzare la Planimetria da vicino e/o da più lontano. |
| 3. Puntina Marker (Aggiungi un nuova attività) | Per creare una nuova attività, prima clicca su questa icona a forma di puntina e poi clicca sull'area della mappa dove vuoi posizionare quella nuova attività. Apparirà quindi la schermata di modifica dell'attività. |
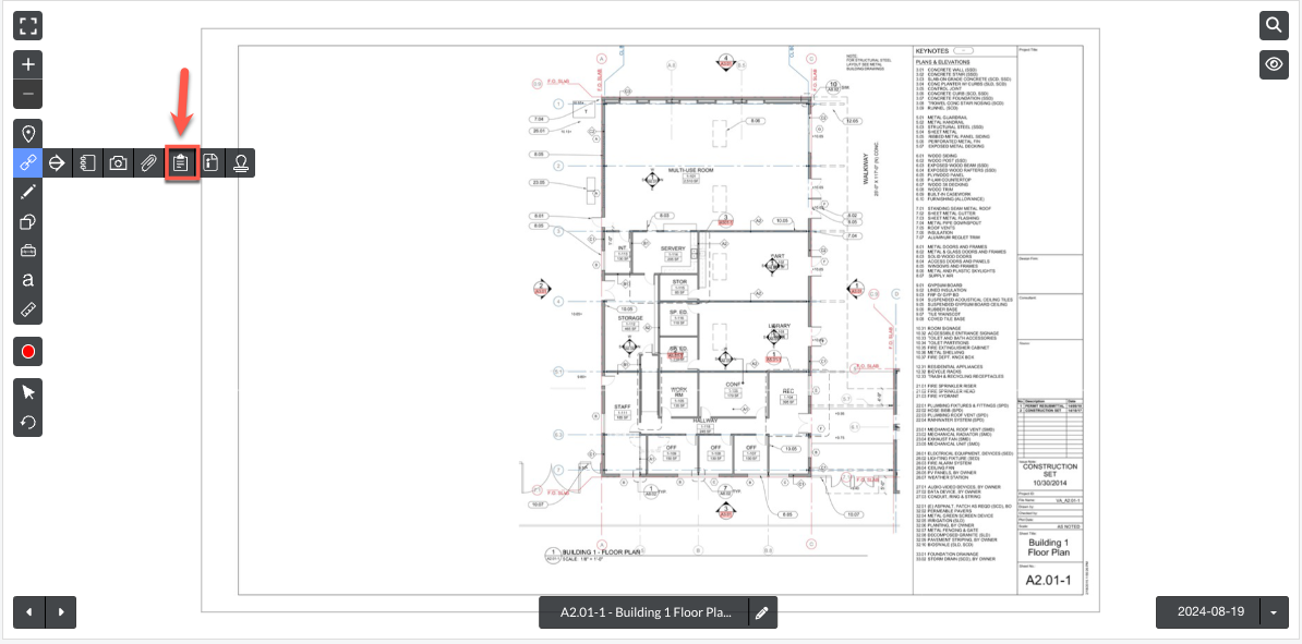
| 4. Catena (Crea un collegamento ipertestuale) | Clicca su questa icona a forma di catena e poi clicca sull'area della Planimetria dove vuoi posizionare il collegamento. Puoi collegare altre planimetrie, allegati, moduli e aggiungere foto di avanzamento usando questa funzione. |
| 5. Matita (Disegna sulla Planimetria) | Cliccando questa icona a forma di matita potrai disegnare linee, frecce e annotazioni generali sulla Planimetria. Una volta cliccato, puoi scegliere tra una linea normale o diverse opzioni di evidenziatore traslucido. È disponibile anche una linea a più punti. Tenendo premuto il tasto Shift, le linee e frecce si agganceranno ad angoli precisi durante il disegno (Nota: lo Shift per creare linee dritte è disponibile solo per la matita e non per gli evidenziatori). |
| 6. Forme (Delimita un'area) | Cliccando questo potrai usare forme per circondare un'area a cui vuoi attirare l'attenzione. Può essere una forma definita (come un cerchio o un triangolo) oppure puoi creare il tuo poligono. Puoi anche usare la forma a nuvola trascinando il cursore sullo schermo fino alla dimensione desiderata (simile alla funzione della casella di testo). |
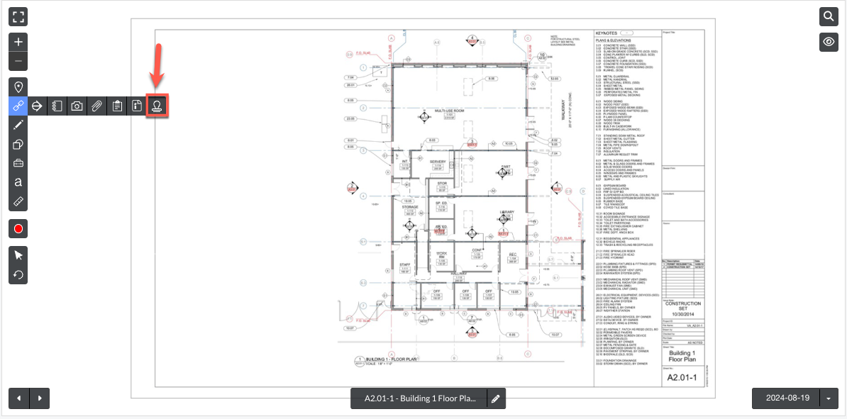
| 7. Strumento Simbolo di annotazione | Clicca su questa icona per scegliere da una vasta selezione di simboli di annotazioni. Questi simboli sono suddivisi in varie categorie. Una volta trovato il simbolo che vuoi usare, cliccaci sopra per selezionarlo e continua a cliccare ovunque sulla Planimetria per aggiungere il simbolo. |
| 8. "a" (Casella di Testo) | Clicca su questa icona per aggiungere una casella di testo. Potrai cliccare e trascinare per creare una casella di testo della dimensione che preferisci. Una volta terminato, apparirà l'opzione per aggiungere il tuo commento o descrizione all'interno della casella. Puoi anche selezionare la dimensione del font. |
| 9. Righello (Strumenti di misurazione) | Clicca su questa icona per aprire gli strumenti di misurazione. Puoi calibrare la distanza, registrare nuove misurazioni di lunghezza e scalare un'area. Tenendo premuto il tasto Shift, le linee di misura si agganceranno ad angoli precisi durante il disegno. Inoltre, puoi creare una misurazione multilinea, che ti permette di misurare percorsi, perimetri o altre linee continue a più punti. |
| 10. Colore (Cerchio Rosso) | Cliccando questa icona potrai scegliere tra diversi colori. Questo influenza il colore della penna, dell'evidenziatore, della freccia, del testo e degli strumenti nuvola. Puoi creare annotazioni private cambiando questo colore in viola. |
| 11. Strumento di Selezione (Icona del cursore del mouse) | Cliccando questa icona potrai spostare qualsiasi annotazione fatta con gli strumenti precedenti sulla Planimetria. Una volta cliccato, dovrai selezionare l'annotazione che vuoi spostare/modificare. Inoltre, puoi cliccare + trascinare il cursore del mouse sulla Planimetria o tenere premuto Shift + cliccare per selezionare più annotazioni e modificarle in gruppo! |
| 12. Annulla (Freccia inversa) | Cliccando questo eliminerai immediatamente l'ultima annotazione fatta sulla Planimetria durante la sessione corrente. |
Allegare Planimetrie / Specifiche / Foto / File / Moduli / RFIs / Sottomissioni ad una Planimetria
Cliccando sull'icona "Catena" nella barra degli strumenti di annotazione, potrai collegare una varietà di documenti ai tuoi fogli di piano.
La prima opzione ti permette di aggiungere un collegamento a un altro foglio di piano:
Selezionando questa opzione, potrai collegare aree del tuo piano direttamente con altre Planimetrie già caricate su Fieldwire.
La seconda opzione ti permette di aggiungere un collegamento a una specifica del tuo progetto nella scheda Specifiche:
La terza opzione, l'icona della fotocamera, ti permette di allegare una foto o un video al foglio di piano. La foto può provenire dalla scheda Foto o dal tuo computer. Puoi anche scegliere Foto a 360°!
La quarta opzione, l'icona della graffetta, ti permette di allegare file ai tuoi fogli di piano:
Puoi allegare sia file esistenti dalla scheda File, sia nuovi file dal tuo computer.
Nota: Puoi cercare file esistenti in Fieldwire, sia PDF che CSV. Tuttavia, quando selezioni e clicchi sul file, puoi aprire solo i PDF. I CSV verranno scaricati sul tuo computer.
La quinta opzione, l'icona del blocco note, ti permette di allegare Moduli ai tuoi fogli di piano se sei un utente Business Plan.
Puoi allegare moduli esistenti o scegliere di crearne uno nuovo a partire da un modello di modulo esistente. Quando un utente clicca su un link di un modulo da una Planimetria:
- Viene reindirizzato alla scheda Moduli.
- Il modulo si apre in una finestra modale all'interno della scheda Moduli.
- Un pulsante Indietro appare nella barra superiore della modale e riporta l'utente al foglio di piano di origine.
La sesta opzione, mostrata nello screenshot qui sotto, ti permette di allegare una RFI ai tuoi fogli di piano. Per ottenere questa funzione nella tua istanza di Fieldwire, puoi passare a Business Plus, oppure puoi prenotare una demo con il nostro team commerciale.
Usando questa opzione, puoi allegare una RFI esistente o creare una bozza di una nuova RFI.
La settima opzione, mostrata nello screenshot qui sotto, ti permette di allegare una Sottomissione ai tuoi fogli di piano. Per ottenere questa funzione nella tua istanza di Fieldwire, puoi passare a Business Plus, oppure puoi prenotare una demo con il nostro team commerciale.
Usando questa opzione, puoi allegare una Sottomissione esistente o creare una bozza di una nuova Sottomissione.
Simboli di annotazione
Fieldwire offre agli utenti l'opzione di aggiungere simboli di annotazione alle loro Planimetrie.
Questa funzione è disponibile per tutti gli utenti, e i simboli di annotazione sono suddivisi in queste categorie: Audiovisivo, Elettrico, Antincendio, Simboli Geometrici, Meccanico, Idraulico e Sicurezza. C'è anche un'opzione "Usati di recente" per accedere rapidamente ai simboli usati più recentemente. Per usare i simboli di annotazione, scegli semplicemente la categoria desiderata, seleziona un simbolo e clicca sul foglio di piano. Continua a cliccare ovunque sulla Planimetria per aggiungere il simbolo!
Nota: Per informazioni sui Simboli di annotazione su dispositivo mobile, consulta il nostro articolo qui!
Oltre a posizionare simboli di annotazione sui fogli di piano, puoi anche ridimensionarli! Per farlo, posiziona il simbolo di annotazione sul foglio di piano, seleziona lo strumento Sposta (frecce incrociate) e trascina un angolo del simbolo alla dimensione desiderata.
Alcune altre note riguardo ai Simboli di annotazione:
- Al momento non è possibile creare simboli personalizzati. Abbiamo aggiunto la categoria Forme Geometriche per permetterti di aggiungere queste forme come segnaposto/simboli generici. Abbiamo iniziato con una piccola libreria di simboli e siamo aperti a richieste per aggiungerne altri! Se desideri vedere più simboli aggiunti, invia un'email a support@fieldwire.com con un esempio del simbolo. Non vediamo l'ora di sapere quali altri simboli dovrebbero esistere in Fieldwire!
-
I simboli di annotazione sono disponibili solo sulle Planimetrie, non sulle foto.
Modifica in gruppo delle annotazioni e Strumento di Selezione
In precedenza, usando Fieldwire, dovevi spostare e modificare le annotazioni una alla volta. Ora puoi usare lo Strumento di Selezione per spostare e selezionare più annotazioni e modificarle in gruppo.
Per prima cosa, devi cliccare sullo strumento Selezione, che è l'icona del cursore del mouse nella Barra degli Strumenti di annotazione.
Se vuoi modificare più annotazioni contemporaneamente, devi cliccare + trascinare il cursore del mouse sulla Planimetria. Una volta selezionate le annotazioni che vuoi modificare, clicca con il tasto destro all'interno del riquadro evidenziato come mostrato nel breve video qui sotto e vedrai le opzioni per modificare il numero di annotazioni selezionate o eliminarle. Nell'esempio sotto, stiamo modificando in gruppo il colore di più annotazioni.
Inoltre, se vuoi modificare più annotazioni ma non tutte in una certa sezione del tuo foglio di piano, puoi tenere premuto Shift + cliccare.
Lo Strumento di Selezione ti permette anche di selezionare e spostare più annotazioni contemporaneamente. Nota che i collegamenti ipertestuali automatici della Planimetria non sono influenzati da questo, ma i collegamenti ipertestuali che aggiungi, inclusi foto, moduli, file, ecc., si sposteranno.
Oltre a spostare, ridimensionare e modificare altri aspetti di più annotazioni contemporaneamente, ora puoi anche eliminare annotazioni in gruppo. Come indicato sopra, per selezionare più annotazioni contemporaneamente, clicca + trascina il cursore del mouse sulla Planimetria. Oppure, se vuoi modificare più annotazioni ma non tutte in una certa sezione del foglio, puoi tenere premuto Shift + cliccare sulle annotazioni che vuoi eliminare. Una volta selezionate le annotazioni da eliminare, clicca con il tasto destro all'interno del riquadro evidenziato come mostrato nel breve video qui sotto e vedrai quante annotazioni hai selezionato e l'opzione "Elimina". Dopo aver cliccato "Elimina", ti verrà chiesto di confermare ancora una volta se vuoi procedere con l'eliminazione di quelle annotazioni.
Nota: Se elimini le annotazioni per errore, puoi cliccare il pulsante "Annulla" o usare CTRL + Z (su Windows) o Command + Z (su Mac) per recuperare quelle annotazioni eliminate. Tuttavia, devi farlo immediatamente dopo l'eliminazione, altrimenti non potranno essere recuperate o ripristinate.
Filtri per Categoria e Attività
Puoi cliccare sulle Mie attività/Tutte le attività/Attività per Categoria e questo ti permetterà di selezionare categorie e attività da visualizzare sulla Planimetria. Questi sono utili quando vuoi vedere solo contenuti specifici e rimuovere il resto dalla Planimetria.
Rinominare la Planimetria/descrizione
Puoi rinominare la Planimetria e modificare la descrizione cliccando sul titolo.
Controllo di Versione
Se clicchi sul pulsante 'Controllo di Versione' mentre sei su un foglio specifico, vedrai tutte le note individuali della Planimetria e potrai modificare le Note e la Descrizione della versione. Puoi anche riordinare le versioni per determinare quale versione verrà mostrata per prima e sarà la versione attiva della Planimetria.
Puoi anche visualizzare e modificare la Descrizione della Versione per diverse Planimetrie contemporaneamente. Questo articolo fornisce maggiori informazioni a riguardo: Cos'è il Controllo di Versione per le Planimetrie?
Visualizza le versioni precedenti
Ogni versione della Planimetria che hai caricato è etichettata con la data di caricamento (puoi modificare la descrizione sotto Controllo di Versione). Attività, collegamenti ipertestuali e annotazioni migreranno tra le versioni.
Visualizza attività
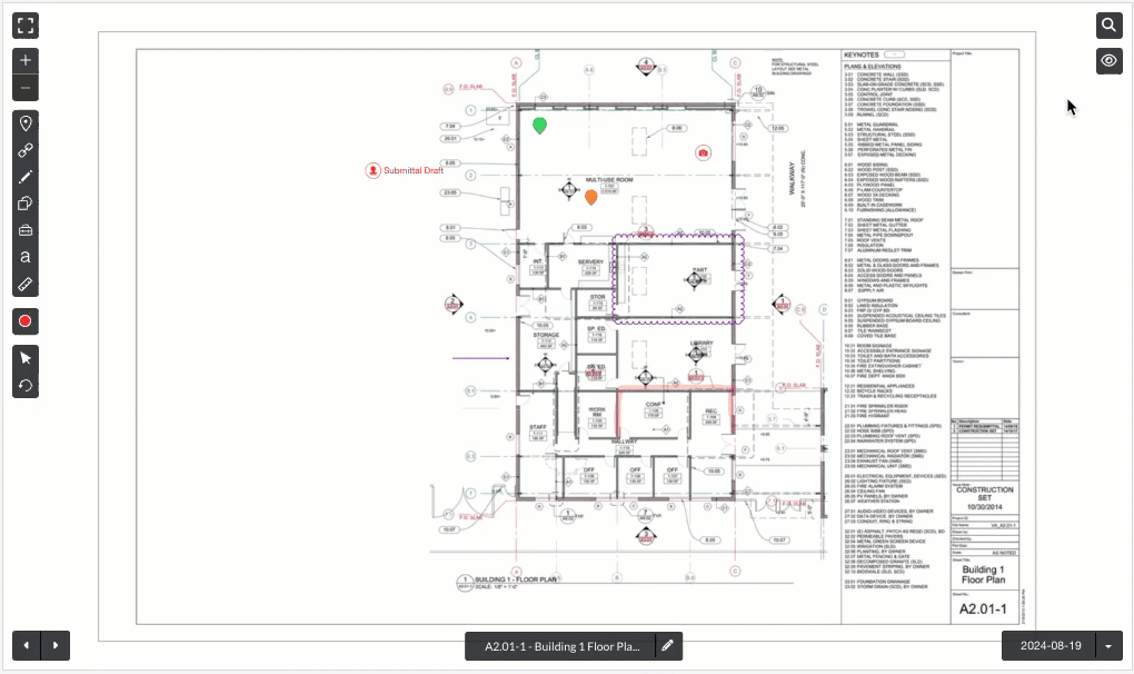
Le attività associate alla planimetria sono elencate sul lato destro della pagina. Puoi modificare le attività all'interno di ogni puntina o dalla colonna sul lato destro dello schermo. Basta cliccare sulla puntina o sull'attività per aprirlo e interagire con esso.
Se provi a eliminare un'attività associata a un foglio di piano, riceverai un messaggio di avviso come mostrato nello screenshot qui sotto. Questo messaggio ti chiede di confermare che vuoi eliminare l'attività poiché, una volta eliminato, sarà cancellato per tutti nel progetto. Se elimini una attività per errore, può essere recuperato entro 30 giorni dalla scheda cestino da un amministratore del progetto. Consulta questo articolo per maggiori informazioni: Cos'è la Scheda Cestino?.
Pulsante Filtra attività
Puoi filtrare le attività sulla Planimetria per diversi attributi:
Consiglio: Consulta l'articolo Posizioni Nidificate per maggiori dettagli su come sfruttare le posizioni: Introduzione alle Posizioni Nidificate
Icona Occhio
L'icona occhio in alto a destra ti permette di nascondere temporaneamente tutte le annotazioni e le attività sulla Planimetria. Cliccandola, potrai selezionare quali livelli della Planimetria (attività, annotazioni, allegati, link o foto) vuoi nascondere, oppure puoi scegliere di nascondere tutti i livelli. Puoi farli tornare visibili cliccandoli di nuovo.
Ricerca Testo nella Planimetria
Con la Ricerca Testo nella Planimetria (PTS), potrai localizzare più facilmente il testo sui tuoi fogli di piano in Fieldwire. PTS è disponibile in tutti i livelli di abbonamento e tutti gli utenti possono utilizzare questa funzione sui fogli di piano.
Se vuoi vedere esattamente dove appare una qualsiasi stringa di testo su un singolo piano, puoi farlo direttamente dalla Planimetria stessa utilizzando la barra di ricerca testo nel piano. Apri un piano qualsiasi dalla scheda 'Planimetrie' del tuo Progetto per cercare una stringa di testo sul piano. Clicca sull'icona della lente di ingrandimento e inserisci il testo che vuoi cercare. Puoi anche usare una scorciatoia da tastiera per aprire la barra di ricerca testo nel piano. La scorciatoia è premere il tasto 'f'! Per maggiori informazioni sulla Ricerca Testo nella Planimetria, consulta questo articolo: Introduzione alla Ricerca Testo nella Planimetria.
Navigazione tra Modelli 2D e 3D
Se hai calibrato e collegato i tuoi fogli di piano con i modelli 3D, potrai passare facilmente dall'uno all'altro. Per farlo:
- Seleziona l'icona a forma di cubo mostrata nello screenshot qui sotto
- Nota: Se non vedi questa icona, significa che non hai calibrato e collegato quel foglio di piano con i modelli 3D
- Clicca sull'area del foglio di piano che vuoi visualizzare in 3D
Da lì, verrai reindirizzato al modello 3D.
Inoltre, potrai facilmente riconoscere quali fogli di piano sono collegati a un modello 3D dalla visualizzazione in miniatura della scheda Planimetrie, poiché avranno un'icona a forma di cubo direttamente sulla miniatura della Planimetria. Questo riduce le incertezze e semplifica i flussi di lavoro.
Apri Planimetrie Visualizzate Recentemente
Il pulsante a forma di orologio evidenziato nello screenshot sopra ti permette di vedere gli ultimi 10 fogli di Planimetria che hai visualizzato in Fieldwire. Questo può essere utile se devi passare tra fogli di piano che non sono sequenziali nella loro denominazione.
Scheda Azioni
La scheda 'Azioni' ti permette di modificare diverse proprietà della Planimetria, inclusi numero e descrizione, scala per le misure e eventuali tag che potresti utilizzare per l'organizzazione dei documenti. I progetti coperti da un abbonamento Pro, Business o Business Plus hanno anche le opzioni di esportare la Planimetria come PDF o confrontarlo con altri fogli, oltre a esportare riepiloghi delle annotazioni.
Opzioni della scheda Azioni
| 1. Modifica numero/descrizione | Puoi modificare il nome della Planimetria e la descrizione. | ||||||||||||||||||||||||||||||
| 2. Ruota foglio | 90 gradi a sinistra, 180 gradi o 90 gradi a destra. | ||||||||||||||||||||||||||||||
| 3. Gestisci tag | Puoi aggiungere e rimuovere Tag del Piano | ||||||||||||||||||||||||||||||
| 4. Imposta scala | Puoi inserire manualmente la scala e sovrascrivere qualsiasi altro dato associato al piano. Se selezioni più Planimetrie, puoi modificare in blocco la scala per tutti le Planimetrie selezionate. | ||||||||||||||||||||||||||||||
| 5. Confronta | Confronta versioni dello stesso piano o di due Planimetrie diverse. Per maggiori informazioni sul confronto dei fogli di piano, consulta questo articolo: Come Confrontare le Planimetrie | ||||||||||||||||||||||||||||||
| 6. Esporta come PDF |
Solo i clienti Premium possono esportare un PDF con le annotazioni. Nota: Per esportare una Planimetria con le attività, devi generare un report e selezionare 'Planimetrie'. Nota: La tabella sottostante mostra quali collegamenti ipertestuali sono presenti in un'esportazione della Planimetria e quali no -
|
||||||||||||||||||||||||||||||
| 7. Esporta riepilogo annotazioni |
I clienti Pro, Business e superiori possono esportare un CSV che conterrà un riepilogo di tutte le annotazioni su quel foglio di piano. Nota: Per esportare un CSV con un riepilogo delle annotazioni da più fogli di piano, accedi al menu a tendina 'Azioni' dalla scheda Planimetrie nelle visualizzazioni a miniatura o elenco. |
||||||||||||||||||||||||||||||
| 8. Elimina |
Gli amministratori possono eliminare le Planimetrie cliccando il pulsante rosso elimina. Ti verrà chiesto di confermare l'eliminazione per procedere. Nota: Tutte le annotazioni associate al foglio verranno eliminate se scegli di eliminare il piano dal progetto. Qualsiasi attività associata alla planimetria diventerà un'attività quadrato che puoi vedere nella tua dashboard principale delle attività.
|
Clic con il tasto destro su planimetria, attività e annotazioni
Come puoi vedere sotto, è possibile cliccare con il tasto destro sulla Planimetria, su qualsiasi attività e su certe annotazioni sulla Planimetria per visualizzare un menu di opzioni di azione.
Clic con il tasto destro sulla Planimetria
Quando clicchi con il tasto destro in qualsiasi punto della Planimetria diverso da attività o annotazioni, puoi vedere un menu di opzioni tra cui 'Modifica dettagli foglio', 'Seleziona tutto', 'Scorciatoie da tastiera', 'Nuova attività', 'Gestisci tag', 'Confronta fogli' e 'Esporta foglio'.
Nota: Il pulsante 'Seleziona tutto' selezionerà automaticamente tutte le annotazioni sul foglio di piano.
Clic con il tasto destro su un'attività
Quando clicchi con il tasto destro su un'attività, puoi vedere un menu di opzioni tra cui 'Completa', 'Verifica', 'Duplica', 'Gestisci tag', 'Aggiungi checklist', 'Sposta fuori dalla Planimetria' o 'Elimina'.
Clic con il tasto destro su annotazioni
Quando clicchi con il tasto destro su certe annotazioni, inclusi evidenziatori, linee e forme, vedrai un menu di opzioni. Queste opzioni includono: 'Modifica dettagli annotazioni', 'Duplica', 'Sposta/Ridimensiona' e 'Elimina'.
Riempimento Forma
Fieldwire permette agli utenti di riempire le loro annotazioni di forma. Cliccando con il tasto destro sulle annotazioni di forma, gli utenti ora vedranno l'opzione "Abilita riempimento dell'annotazione". Per abilitare il riempimento della forma, gli utenti devono semplicemente cliccare la casella di controllo. Dopo aver cliccato la casella, la forma sarà di colore pieno, ma gli utenti possono renderla più trasparente cambiando la percentuale di Opacità. Più bassa è la percentuale, più trasparente (meno opaca) sarà la forma.
Copia e Incolla attività e annotazioni
Fieldwire ora ti permette di copiare/incollare le tue attività e annotazioni tra diversi fogli di piano in un progetto! Con questo aggiornamento, potrai anche copiare/incollare una selezione di più annotazioni e attività contemporaneamente tra Planimetrie dello stesso progetto. Le annotazioni possono essere copiate anche tra progetti diversi! Questo può esserti utile se hai annotazioni simili su più Planimetrie o se lavori con più stanze/Planimetrie che potrebbero aver bisogno delle stesse annotazioni.
Nota: attività e tutte le annotazioni con collegamenti ipertestuali non possono essere copiati tra progetti diversi perché si riferiscono ad altri oggetti all'interno del progetto che potrebbero non esistere in un progetto diverso.
Nota: Questa funzionalità è disponibile solo su Web.
Copiare e incollare attività e annotazioni è un processo relativamente semplice e ci sono un paio di modi per farlo. La prima opzione è cliccare con il tasto destro sull'annotazione o attività che vuoi copiare e selezionare "Copia". Poi vai al nuovo foglio di piano, clicca con il tasto destro sul nuovo foglio e seleziona "Incolla". Un altro modo è usare lo strumento di selezione (icona freccia) e selezionare l'annotazione o l'attività che vuoi copiare. Poi puoi usare la comune scorciatoia da tastiera ctrl+C (cmd+C su Mac) per copiare l'annotazione o attività, navigare al nuovo foglio di piano e usare ctrl+V (cmd+V su Mac) per incollare l'annotazione o attività sul nuovo foglio.
Come detto sopra, puoi anche copiare e incollare più attività e l'annotazione su un nuovo foglio di piano come mostrato nel breve video qui sotto. Per farlo, puoi usare lo stesso metodo del clic con il tasto destro o la scorciatoia da tastiera descritti sopra.
Ulteriori informazioni
- Come usare la Scheda Planimetrie e Caricare Planimetrie nei miei Progetti Fieldwire sul Web?
-
Visualizzazione Planimetrie e Strumenti dell'annotazione (Mobile)
Video Tutorial sull'annotazione dei Planimetrie su dispositivo Mobile
Annotazioni delle Planimetrie su Mobile
Video Tutorial sul Caricamento delle Planimetrie
Caricamento delle Planimetrie
Video Tutorial su File e Collegamenti Ipertestuali
File e Collegamenti Ipertestuali
Video Tutorial sugli Strumenti di Annotazione
Annotazioni delle Planimetrie su Web