Yleiskuvaus
Pohjapiirrosnäkymä on tapahtumien keskipiste. Kun napsautat jotakin pohjakuvaa, se suurennetaan ja tärkeät, tehtäviin, merkintöihin ja hyperlinkkeihin liittyvät vaihtoehdot avautuvat.
Sisällysluettelo
- Merkintätyökalurivi
- Luokka- ja tehtäväsuodattimet
- Pohjakuvan/kuvauksen nimeäminen uudelleen
- Versionhallinta
- Tehtävien tarkastelu
- Suodata tehtävät -painike
- Silmäkuvake
- Pohjakuvan tekstihaku
- Avaa äskettäin tarkastellut pohjakuvat
- Toimet-välilehti
- Pohjakuvan, tehtävän tai merkinnän napsauttaminen hiiren oikealla painikkeella
Merkintätyökalurivi
Merkintätyökalurivi on mustanvärinen pystysuuntainen työkalurivi pohjapiirrosnäkymän vasemmassa reunassa.
Merkintätyökalut on lueteltu alla laskevassa järjestyksessä ylhäältä alas.
Merkintätyökalujen määritelmät
| 1. Laajenna koko näyttöön | Tarkastele pohjakuvaa koko näytön tilassa. |
| 2. Lähennä/loitonna | Tarkastele pohjakuvaa lähempää ja/tai etäämpää. |
| 3. Nuppineula (lisää uusi tehtävä) |
Voit lisätä uuden tehtävän napsauttamalla tätä nuppineulaa ja sen jälkeen kartan aluetta, johon haluat pudottaa uuden tehtävän. Tehtävän muokkausnäyttö avautuu. |
| 4. Ketju (luo hyperlinkki) |
Napsauta tätä ketjukuvaketta ja sen jälkeen pohjakuvan aluetta, johon haluat sijoittaa linkin. Tällä toiminnolla voit luoda linkin muihin piirustuksiin, liitteisiin ja lomakkeisiin ja lisätä valokuvia edistymisestä. |
| 5. Lyijykynä (piirrä pohjakuvaan) |
Napsauta lyijykynäkuvaketta piirtääksesi pohjakuvaan viivoja, nuolia ja muita merkintöjä. Napsautuksen jälkeen voit valita tavallisen viivan sekä useiden läpikuultavien korostusvaihtoehtojen välillä. Valittavissa on myös monipisteviiva. Kun pidät vaihtonäppäintä painettuna, suorat viivat ja nuolet pysyvät tarkasti määrätyssä kulmassa piirtäessäsi (Huomautus: suorat viivat vaihtonäppäimellä koskee vain lyijykynää, ei korostusmerkintöjä). |
| 6. Muodot (alueen hahmottelu) |
Napsauttamalla tätä voit hahmotella muodon sellaisen alueen ympärille, jota haluat korostaa. Se voi olla valmis muoto (kuten ympyrä tai kolmio), tai voit luoda oman monikulmion. Voit myös luoda pilvimuodon haluamasi kohteen ympärille vetämällä osoitinta ruudun poikki oikeaan kokoon (tekstiruudun tavoin). |
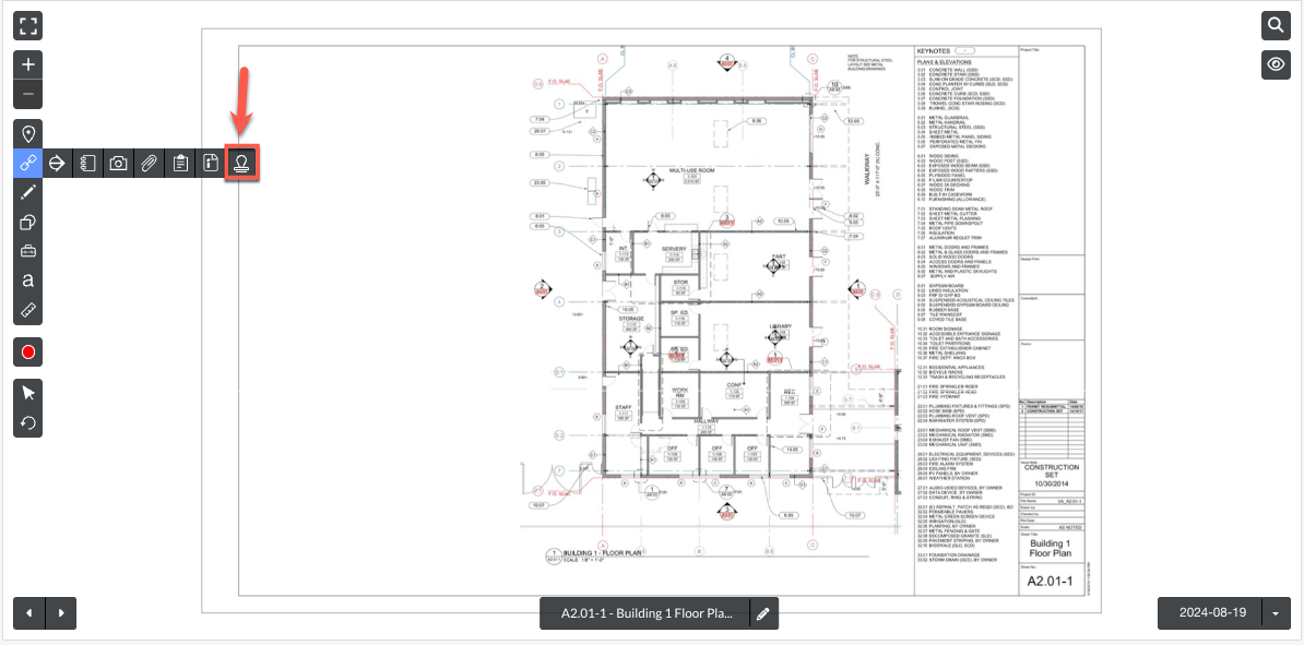
| 7. Merkintäsymbolityökalu |
Napsauta tätä kuvaketta valitaksesi laajasta valikoimasta merkintäsymboleja. Nämä symbolit on lajiteltu eri luokkiin. Kun olet löytänyt symbolin, jota haluat käyttää, valitse se napsauttamalla ja lisää se kaikkiin haluamiisi kohtiin pohjakuvassa napsauttamalla. |
| 8. "a" (tekstiruutu) |
Lisää tekstiruutu napsauttamalla tätä kuvaketta. Voit luoda haluamasi kokoisen tekstiruudun napsauttamalla ja vetämällä. Kun ruutu on valmis, voit kirjoittaa kommentin tai kuvauksen ruudun sisään. Voit myös valita fonttikoon. |
| 9. Viivain (mittaustyökalut) |
Avaa mittaustyökalut napsauttamalla tätä kuvaketta. Voit kalibroida etäisyyden, tallentaa uusia pituusmittoja ja mitata alueen. Kun pidät vaihtonäppäintä painettuna, mittaviivat lukittuvat tarkkoihin kulmiin sitä mukaa kuin piirrät. Lisäksi voit luoda moniviivamittauksen, jolla voit mitata polkuja, äärirajoja tai muita jatkuvia monipisteviivoja. |
| 10. Väri (punainen ympyrä) |
Voit valita haluamasi värin eri vaihtoehdoista napsauttamalla tätä kuvaketta. Värivalinta kohdistuu kynän, korostuksen, nuolen, tekstin ja pilvityökalun väriin. Voit luoda yksityisiä merkintöjä vaihtamalla tämän värin violetiksi. |
| 11. Valintatyökalu (hiiren osoitin) | Napsauttamalla tätä kuvaketta voit siirtää edellisillä työkaluilla luomiasi merkintöjä pohjakuvassa. Valitse napsauttamisen jälkeen siirrettävä/muokattava merkintä. Voit myös valita useita merkintöjä ja tehdä erämuokkauksen napsauttamalla ja vetää hiiren osoitinta pohjakuvan päällä tai napsauttamalla ja pitämällä vaihtonäppäintä samanaikaisesti painettuna! |
| 12. Kumoa (nuoli vasemmalle) |
Jos napsautat tätä, nykyisen istunnon aikana pohjakuvaan tekemäsi edellinen merkintä poistetaan välittömästi. |
Huomautus: Suoraan pohjakuviin, lomakkeisiin ja selvityspyyntöihin lisättyihin valokuviin voidaan nyt lisätä merkintöjä.
Pohjakuvien/detaljien/valokuvien/tiedostojen/lomakkeiden/selvityspyyntöjen/hyväksyntäpyyntöjen liittäminen piirustukseen
Voit linkittää monenlaisia asiakirjoja piirustuksiisi napsauttamalla merkintätyökalurivillä olevaa ketjukuvaketta.
Voit lisätä linkin toiseen piirustukseen valitsemalla ensimmäisen vaihtoehdon:
Kun valitset tämän vaihtoehdon, voit linkittää pohjakuvan alueita suoraan muihin pohjakuviin, jotka olet jo lähettänyt Fieldwireen.
Toinen vaihtoehto mahdollistaa linkin lisäämisen projektin Detaljit-välilehdellä olevaan detaljiin:
Kolmas vaihtoehto on kamerakuvake, ja sen avulla voit liittää valokuvan piirustukseen:
Valokuva voi olla peräisin joko Valokuvat-välilehdeltä tai tietokoneeltasi. Voit myös valita 360 Photo -valokuvia!
Neljäs vaihtoehto on paperiliitinkuvake, ja sen avulla voit liittää tiedostoja piirustukseen:
Voit liittää joko Tiedostot-välilehdeltä löytyviä tiedostoja tai uusia tiedostoja tietokoneeltasi.
Huomautus: Voit etsiä Fieldwiressa valmiina olevia tiedostoja – sekä PDF- että CSV-tiedostoja. Voit kuitenkin avata vain PDF-tiedostoja valitsemalla ja napsauttamalla. CSV-tiedostot ladataan tietokoneellesi.
Viides vaihtoehto on leikepöytäkuvake, ja sen avulla voit liittää lomakkeita piirustukseen, jos olet Business-tason käyttäjä.
Voit liittää sekä olemassa olevia lomakkeita tai luoda uuden lomakkeen käyttämällä lomakemallia.
Alla olevassa näyttökuvassa näkyy kuudes vaihtoehto, jonka avulla voit liittää selvityspyynnön piirustukseen. Jos haluat tämän toiminnon Fieldwireen, voit joko päivittää Business Plus -tasolle tai pyytää esittelyä myyntitiimiltämme.
Tämän vaihtoehdon avulla voit liittää olemassa olevan selvityspyynnön tai laatia uuden selvityspyynnön.
Alla olevassa näyttökuvassa näkyy seitsemäs vaihtoehto, jonka avulla voit liittää hyväksyntäpyynnön piirustukseen. Jos haluat tämän toiminnon Fieldwireen, voit joko päivittää Business Plus -tasolle tai pyytää esittelyä myyntitiimiltämme.
Tämän vaihtoehdon avulla voit liittää olemassa olevan hyväksyntäpyynnön tai laatia uuden hyväksyntäpyynnön.
Merkintäsymbolit
Fieldwire tarjoaa nyt käyttäjille mahdollisuuden lisätä pohjakuviin merkintäsymboleja!
Uusi toiminto on kaikkien käyttäjien käytettävissä, ja merkintäsymbolit on jaettu seuraaviin luokkiin: Audiovisuaalinen, sähkö, palontorjunta, geometriset symbolit ja turvallisuus. Voit myös valita Äskettäin käytetyt -vaihtoehdon, joka sisältää äskettäin käytetyt symbolit. Voit käyttää merkintäsymboleja valitsemalla haluamastasi luokasta haluamasi symbolin ja napsauttamalla sitten piirustusta. Lisää symboleja haluamiisi kohtiin pohjakuvassa napsauttamalla!
Huomautus: katso lisätietoja merkintäsymbolien käytöstä mobiililaitteilla napsauttamalla tästä!
Nyt voit myös muuttaa symbolien kokoa sen lisäksi että voit sijoittaa niitä piirustuksiin! Voit muuttaa kokoa asettamalla merkintäsymbolin piirustukseen, valitsemalla siirtotyökalun (ristikkäiset nuolet) ja vetämällä sitten merkintäsymbolia nurkasta haluamaasi kokoon.
Tässä vielä muutama asia, jotka on huomioitava merkintäsymboleja käytettäessä:
- Tällä hetkellä järjestelmä ei tue mukautettujen symbolien luomista. Lisäsimme geometrisia muotoja sisältävän luokan, jotta voisit käyttää näitä muotoja paikkamerkkeinä / yleisinä symboleina. Tarjoamme nyt käyttöösi suppean symbolikirjaston mutta otamme vastaan lisäsymboleja koskevia ehdotuksia! Jos haluat, että lisäämme uusia symboleja, lähetä viesti osoitteeseen support@fieldwire.com ja liitä viestiin haluamasi symboli. Me haluamme kuulla, mitä muita symboleja Fieldwireen tulisi lisätä!
-
Merkintäsymbolit ovat käytettävissä vain pohjakuvissa, eivät valokuvissa.
Merkintöjen erämuokkaus ja valintatyökalu
Aiemmin merkintöjen siirto ja muokkaus oli mahdollista vain yksi kerrallaan Fieldwiressa. Nyt voit siirtää ja valita useita merkintöjä kerrallaan valintatyökalun avulla ja erämuokata niitä.
Ensin sinun on napsautettava valintatyökalua, joka on merkintätyökalurivillä oleva hiiren osoitin.
Jos haluat muokata samanaikaisesti useita merkintöjä, sinun on valittava ne napsauttamalla ja vetämällä hiiren osoitinta pohjakuvan päällä. Kun olet valinnut merkinnät, joita haluat muokata, napsauta hiiren oikeaa painiketta korostusruudun sisällä alla olevan lyhyen videon mukaisesti, jolloin näyttöön avautuu mahdollisuus joko muokata valittujen merkintöjen määrää tai poistaa merkinnät. Alla olevassa esimerkissä näytetään, miten voit erämuokata useiden merkintöjen väriä.
Lisäksi jos haluat muokata useita merkintöjä piirustuksen tietyssä osassa mutta et kuitenkaan kaikkia, voit pitää vaihtonäppäintä painettuna ja napsauttaa.
Voit myös valita ja siirtää useita merkintöjä samanaikaisesti valintatyökalun avulla. Huomaa, että automaattiset pohjakuvan hyperlinkit eivät siirry, mutta lisäämäsi hyperlinkit, mukaan lukien valokuvat, lomakkeet, tiedostot yms., siirtyvät.
Sen lisäksi että voit siirtää, muuttaa kokoa ja muulla tavoin muokata useita merkintöjä samanaikaisesti, voit nyt myös tehdä merkintöjen eräpoiston. Voit valita useita merkintöjä samanaikaisesti yllä olevan kuvauksen mukaisesti, eli napsauttamalla ja vetämällä osoitinta pohjakuvan päällä. Tai jos haluat poistaa useita merkintöjä piirustuksen tietystä osasta mutta et kuitenkaan kaikkia, voit pitää vaihtonäppäintä painettuna ja napsauttaa niitä merkintöjä, jotka haluat poistaa. Kun olet valinnut merkinnät, jotka haluat poistaa, napsauta hiiren oikeaa painiketta korostusruudun sisällä alla olevan lyhyen videon mukaisesti, jolloin näyttöön avautuu valittujen merkintöjen määrä sekä mahdollisuus poistaa merkinnät. Kun napsautat Poista, näyttöön avautuu ruutu, jossa voit vahvistaa merkintöjen poistamisen.
Huomautus: Jos poistat merkintöjä vahingossa, voit napsauttaa Kumoa-painiketta tai palauttaa poistetut merkinnät painamalla CTRL + Z (Windows-tietokoneissa) tai Komento + Z (Mac-tietokoneissa). Sinun on kuitenkin tehtävä tämä välittömästi merkintöjen poistamisen jälkeen – muutoin niitä ei voi palauttaa.
Luokka- ja tehtäväsuodattimet
Voit valita pohjakuvalla tarkasteltavia luokkia ja tehtäviä napsauttamalla Omat tehtävät / Kaikki tehtävät / Tehtävät luokittain. Nämä toiminnot ovat hyödyllisiä, kun haluat tarkastella vain tiettyä sisältöä ja poistaa muut näkyvistä pohjakuvalla.
Pohjakuvan/kuvauksen nimeäminen uudelleen
Voit nimetä pohjakuvan uudelleen tai muokata kuvausta napsauttamalla otsikkoa.
Versionhallinta
Jos napsautat Versionhallinta-painiketta ollessasi tietyssä piirustuksessa, kaikki yksittäiset pohjakuvan muistiinpanot tulevat näkyviin ja voit muokata muistiinpanoja sekä version kuvausta. Voit myös järjestää versioita uudelleen määrittääksesi, mikä versio näkyy ensin ja on pohjakuvan aktiivinen versio.
Voit myös tarkastella ja muokata useiden eri pohjakuvien versiokuvausta samanaikaisesti. Tämä artikkeli sisältää lisätietoja tästä: Mitä pohjakuvien versionhallinta tarkoittaa?
Vanhempien versioiden tarkastelu
Jokaiseen lähettämääsi pohjakuvaversioon merkitään lähetyspäivä (voit muokata kuvausta kohdassa Versionhallinta). Tehtävät, hyperlinkit ja merkinnät säilyvät eri versioiden välillä.
Tehtävien tarkastelu
Piirustukseen liitetyt tehtävät näkyvät sivun oikeassa reunassa. Voit muokata tehtäviä jokaisesta nuppineulasta tai näytön oikeasta reunasta. Avaa ja muokkaa niitä napsauttamalla nuppineulaa tai tehtävää.
Jos yrität poistaa tehtävää, joka on yhdistetty piirustukseen, saat alla olevan näyttökuvan mukaisen varoituksen. Varoitus pyytää vahvistamaan, että haluat poistaa tehtävän, sillä tehtävä poistetaan samalla kaikilta projektin osallistujilta. Jos poistat tehtävän vahingossa, se voidaan palauttaa roskakorista 30 vuorokauden kuluessa projektin järjestelmänvalvojan toimesta. Katso lisätietoja seuraavasta artikkelista: Mikä on Roskakori-välilehti?
Suodata tehtävät -painike
Voit suodattaa pohjakuvan tehtäviä useilla eri parametreilla:
Vihje: Katso lisätietoja sijaintien hyödyntämisestä artikkelista Sisäkkäiset sijainnit: Sisäkkäisten sijaintien johdanto
Silmäkuvake
Voit piilottaa tilapäisesti kaikki pohjakuvan merkinnät ja tehtävät oikeassa ylänurkassa olevalla silmäkuvakkeella. Kun napsautat sitä, voit valita piilotettavat pohjakuvan tasot (tehtävät, merkinnät, liitteet, linkit tai valokuvat) tai piilottaa kaikki tasot. Voit palauttaa ne näkyviin napsauttamalla niitä uudelleen.
Pohjakuvan tekstihaku
Pohjakuvan tekstihakutoiminnolla (PTS) voit etsiä Fieldwiren piirustuksissa olevaa tekstiä helpommin. PTS-toiminto on saatavilla kaikilla tilaustasoilla, ja kaikki käyttäjät voivat hyödyntää tätä toimintoa piirustusten yhteydessä.
Jos haluat nähdä, missä haluamasi teksti esiintyy yksittäisessä pohjakuvassa, voit suorittaa haun suoraan pohjakuvassa käyttämällä pohjakuvan tekstihakupalkkia. Avaa mikä tahansa pohjakuva projektisi Pohjakuvat-välilehdeltä etsiäksesi tekstiä pohjakuvasta. Napsauta suurennuslasikuvaketta ja syötä etsittävä hakuteksti. Voit avata pohjakuvan tekstihakupalkin myös pikanäppäimellä. Tämä pikanäppäin on f! Tutustu seuraavaan artikkeliin, jos haluat lisätietoja pohjakuvan tekstihausta: Pohjakuvan tekstihaun johdanto.
Avaa äskettäin tarkastellut pohjakuvat
Yllä olevassa näyttökuvassa korostetulla kellopainikkeella voit tarkastella 10 edellistä piirustusta, jotka avasit Fieldwiressa. Tästä toiminnosta voi olla hyötyä tilanteessa, jossa siirryt kahden sellaisen piirustuksen välillä, joiden nimet eivät esiinny peräkkäin.
Toimet-välilehti
Toimet-välilehdellä voit muokata pohjakuvan eri ominaisuuksia, kuten numeroa ja kuvausta, mittakaavaa sekä asiakirjojen organisointia helpottavia tunnisteita. Pro-, Business- ja Business Plus -tilausten projekteissa pohjakuva voidaan myös viedä PDF-tiedostoksi, sitä voidaan vertailla muiden piirustusten kanssa ja sen merkintäyhteenvedot voidaan viedä.
Toimet-välilehden vaihtoehdot
| 1. Muokkaa numeroa/kuvausta |
Voit muokata pohjakuvan ja kuvauksen nimeä. |
||||||||||||||||||||||||||||||
| 2. Kierrä piirustusta | 90 astetta vasemmalle, 180 astetta tai 90 astetta oikealle. | ||||||||||||||||||||||||||||||
| 3. Hallinnoi tunnisteita |
Voit lisätä ja poistaa pohjakuvan tunnisteita |
||||||||||||||||||||||||||||||
| 4. Valitse mittakaava |
Voit syöttää mittakaavan manuaalisesti ja ohittaa mitkä tahansa muut pohjakuvaan liitetyt tiedot. Jos valitset useita pohjakuvia, voit erämuokata kaikkien valittujen pohjakuvien mittakaavaa. |
||||||||||||||||||||||||||||||
| 5. Vertaa |
Voit vertailla keskenään saman pohjakuvan eri versioita tai kahta eri pohjakuvaa. Tutustu seuraavaan artikkeliin, jos haluat lisätietoja piirustusten vertailemisesta: Pohjakuvien vertailu |
||||||||||||||||||||||||||||||
| 6. Vie PDF-tiedostona |
Vain Premium-asiakkaat voivat viedä merkinnät sisältäviä PDF-tiedostoja. Huomautus: Jos haluat viedä pohjakuvan tehtävineen, luo raportti ja valitse Pohjakuvat. Huomautus: Alla olevasta taulukosta näkyy, mitkä hyperlinkit ovat pohjakuvan viennissä ja mitkä eivät ole -
|
||||||||||||||||||||||||||||||
| 7. Vie merkintätiivistelmä |
Pro-, Business- ja ylemmän tason asiakkaat voivat viedä CSV-tiedoston, joka sisältää yhteenvedon kaikista kyseisellä piirustuksella olevista merkinnöistä. Huomautus: Voit viedä CSV-tiedoston, joka sisältää yhteenvedon useilla piirustuksilla olevista merkinnöistä, valitsemalla pikkukuvassa tai luettelonäkymissä olevalla Pohjakuvat-välilehdellä olevan Toimet-pudotusvalikon. |
||||||||||||||||||||||||||||||
| 8. Poista |
Järjestelmänvalvojat voivat poistaa pohjakuvia napsauttamalla punaista poistopainiketta. Sinun on vahvistettava poisto jatkaaksesi. Huomautus: Kaikki piirustukseen liitetyt merkinnät poistetaan myös, jos päätät poistaa pohjakuvan projektista. Piirustukseen liitetyt tehtävät muuttuvat nelikulmaiseksi tehtäviksi, jotka näkyvät Tehtävä-päänäkymässä.
|
Pohjakuvan, tehtävän tai merkinnän napsauttaminen hiiren oikealla painikkeella
Voit tarkastella erilaisia toimia alla olevan kuvauksen mukaisesti napsauttamalla hiiren oikealla painikkeella pohjakuvaa, mitä tahansa tehtävää tai tiettyjä pohjakuvan merkintöjä.
Hiiren oikean painikkeen napsauttaminen pohjakuvassa
Voit tarkastella eri toimintoja, kuten Piirustuksen tietojen muokkaus, Valitse kaikki, Pikanäppäimet, Uusi tehtävä, Tunnisteiden hallinta, Piirustusten vertailu ja Piirustuksen vienti, napsauttamalla hiiren oikeaa painiketta missä tahansa pohjakuvan päällä paitsi kohdissa Tehtävät ja Merkinnät.
Huomautus: Valitse kaikki -painike valitsee automaattisesti kaikki piirustuksen merkinnät.
Hiiren oikean painikkeen napsauttaminen tehtävässä
Kun napsautat tehtävää hiiren oikealla painikkeella, näyttöön tulee valikko eri toiminnoista, kuten Täydennä, Varmenna, Kaksoiskappale, Hallinnoi tunnisteita, Lisää tarkistuslista, Siirrä pois pohjakuvasta ja Poista.
Hiiren oikean painikkeen napsauttaminen merkinnöissä
Kun napsautat hiiren oikealla painikkeella tiettyjä merkintöjä, kuten Korostustyökalu, Viiva ja Muoto, näyttöön tulee toimintovalikko. Voit valita seuraavia toimintoja: Muokkaa merkintätietoja, Kaksoiskappale, Siirrä / muuta kokoa ja Poista.
Muodon täyttö
Käyttäjät voivat täyttää muotomerkintöjä Fieldwiressa. Kun napsautat hiiren oikealla painikkeella muotomerkintää, voit suorittaa toiminnon Ota käyttöön, jotta voit täyttää merkinnän. Jos haluat täyttää muodon, valitse valintaruutu napsauttamalla. Kun olet valinnut valintaruudun, muoto täytetään värillä, ja sen läpinäkyvyyttä voi muuttaa muokkaamalla Peittävyys-prosenttiarvoa. Mitä matalampi prosenttiarvo, sitä läpinäkyvämpi (vähemmän peittävä) muodosta tulee.
Tehtävien ja merkintöjen kopiointi ja liittäminen
Nyt voit kopioida ja liittää tehtäviä ja merkintöjä Fieldwiren projektissa olevien piirustusten välillä! Tämän päivityksen myötä voit myös kopioida/liittää eri merkintöjä ja tehtäviä samanaikaisesti saman projektin sisällä olevien pohjakuvien välillä. Voit jopa kopioida merkintöjä projektista toiseen! Toiminnosta on hyötyä, jos sinulla on samankaltaisia merkintöjä useissa eri pohjakuvissa tai jos työskentelet useissa huoneissa/kerroksissa, joilla on toisiaan vastaavat merkinnät.
Huomautus: Tehtäviä ja kaikkia hyperlinkkien merkintöjä ei voi kopioida projektien välillä, koska ne viittaavat projektin toisiin objekteihin, joita ei ehkä ole muissa projekteissa.
Huomautus: Tämä toiminnallisuus koskee vain verkkoa.
Tehtävien ja merkintöjen kopiointi ja liittäminen on verraten yksinkertainen prosessi, ja se voidaan toteuttaa eri tavoin. Ensimmäinen tapa: napsauta kopioitavaa merkintää tai tehtävää hiiren oikealla painikkeella ja valitse Kopioi. Siirry sitten uuteen piirustukseen, napsauta uutta piirustusta hiiren oikealla painikkeella ja valitse Liitä. Toinen tapa: valitse kopioitava merkintä tai tehtävä valintatyökalulla (nuolikuvake). Kopioi merkintä tai tehtävä yleisellä näppäinyhdistelmällä Ctrl+C (komento+C Mac-tietokoneissa), siirry uuteen piirustukseen ja liitä merkintä tai tehtävä uuteen piirustukseen näppäinyhdistelmällä Ctrl+V (komento+V Mac-tietokoneissa).
Kuten yllä on mainittu, voit myös kopioida ja liittää useita tehtäviä ja merkintöjä uuteen piirustukseen alla olevan lyhyen videon ohjeiden mukaisesti. Voit käyttää yllä kuvattuja tapoja, eli napsauttaa hiiren oikealla painikkeella tai käyttää näppäinyhdistelmiä.
Lisätietoja
- Miten voin käyttää Pohjakuvat-välilehteä ja lähettää pohjakuvani omiin Fieldwire-projekteihini verkossa?
- Pohjapiirrosnäkymä ja merkintätyökalut (mobiili)
Video-opetusohjelma pohjakuvamerkintöjen käsittelystä mobiilisovelluksessa
Video-opetusohjelma pohjakuvien lähettämisestä palvelimelle
Tiedostojen ja hyperlinkkien video-opetusohjelma